18/07/2023
1. Mục tiêu của đề tài
Thiết kế và thi công thiết bị có thể theo dõi và giám sát các chỉ số về môi
trường như: nồng độ pH, cường độ tia UV, khối lượng bụi PM 2,5 trong không khí, nhiệt độ và độ ẩm của môi trường xung quanh với sai số cho phép ±5%.
Thiết bị có kết nối Internet để người dân trong khu vực có thể theo dõi qua
một giao diện webserver.
Sản phẩm quan trắc môi trường tiên tiến, được tối ưu để đạt được hiệu quả
khai thác cao nhất với chi phí vận hành thấp nhất.
2. Giải pháp của đề tài
Đưa ra hai giải pháp chính để nghiên cứu và ứng dụng vào đề tài, đó là giải
pháp Bigdata và Blockchain.
Đối với giải pháp Bigdata nghiên cứu tập trung chủ yếu vào các vấn đề:
- Giải quyết vấn đề lưu trữ phân tán.
- Giải quyết vấn đề sự tăng trưởng về mặt khối lượng dữ liệu.
- Đáp ứng về mặt yêu cầu thời gian thực.
- Giải quyết bài toán phân tích và xử lý dữ liệu.
Đối với giải pháp Blockchain:
- Duy trì tính thời gian thực của hệ thống.
- Đảm bảo minh bạch dữ liệu
3. Thiết kế hệ thống
3.1 Sơ đồ khối của hệ thống

Chức năng của từng khối:
- Chuyển đổi năng lượng của ánh sáng mặt trời thành điện năng sạc vào trong ắc quy
- Cung cấp nguồn 12V cho Board mạch chính và Module Sim 800A hoạt động
- Cấp nguồn và điều khiển hoạt động khối cảm biến.
- Nhận dữ liệu từ khối cảm biến và gửi dữ liệu lên khối kết nối Internet
- Thu thập các thông số về nồng độ pH, cường độ tia UV, khốilượng bụi trong không khí, nhiệt độ, độ ẩm của môi trường xung quanh.
- Gửi dữ liệu về cho khối điều khiển trung tâm.
- Nhận dữ liệu từ khối điều khiển trung tâm và gửi dữ liệu lênMicro Cloud.
3.2 Nguyên lý hoạt động
Board DSPIC30F đƣợc kết nối với các cảm biến và Module Sim 800A và
cấp nguồn 12V thông qua bộ cung cấp điện năng. Sau khi kết nối thì Board điều
khiển hoạt động của các cảm biến thu thập các chỉ số quan trắc về nồng độ pH,cƣờng độ tia UV, khối lượng bụi trong không khí, nhiệt độ và độ ẩm. Board sẽ gửi
dữ liệu đo đƣợc lên một Micro Cloud đã đƣợc xây dựng thông qua Module Sim
800A
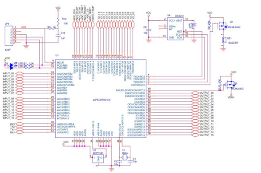
3.3 Sơ đồ nguyên lý
Sơ đồ nguyên lý của BoardDSPIC30F

Sơ đồ nguyên lý của hệ thống
