18/05/2024
1 Tổng quan
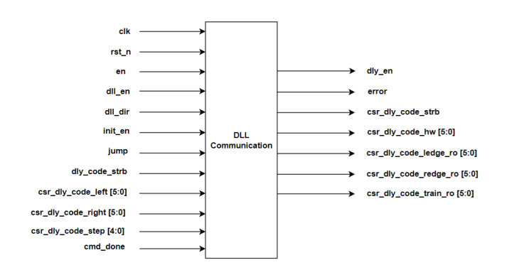
The DLL Communication được sử dụng để giao tiếp với DLL Controller ở chế độ Misson mode. Khối Sequencer sẽ điều khiển khối này để đọc giá trị độ trễ từ CSR và sau đó thông báo cho DLL controller để tăng giảm giá trị độ trễ theo csr_dly_code_step.

Hình 1: Sơ đồ khối DLL Communication
2. Chức năng
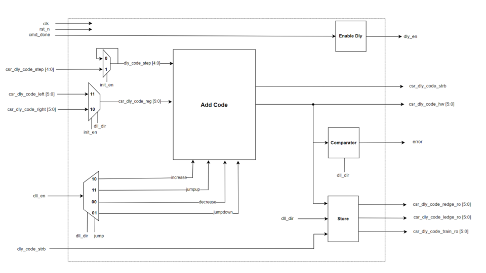
Đầu tiên, giả sử rằng chương trình được cấu hình để tìm cạnh dữ liệu bên trái trước, train_en sẽ xác nhận để kích hoạt khối này. Khối Sequencer xác nhận dll_init và dll_dir, sau đó Khối DLL Communication sẽ đọc độ trễ bên trái và độ trễ mỗi bước từ CSR, sau đó kích hoạt khối DLL CTL trong chế độ Mission mode. DLL communication sẽ thay đổi mã trễ dựa trên sự điều khiển của Sequencer. Trong khi thay đổi mã trễ, khối này sẽ vô hiệu hóa DLL CTL, sau đó cho phép DLL CTL đọc mã trễ mới. Khối Sequencer cũng điều khiển DLL Communication để lưu độ trễ vào thanh ghi trong CSR, đồng thời mã trễ sẽ được lưu vào địa chỉ tương ứng dựa trên DLL_DIR. Khối này cũng sẽ thông báo cho Sequencer bằng cách xác nhận tín hiệu lỗi nếu dữ liệu bị sai lệch so với phạm vi yêu cầu

Hình 2: Sơ đồ khối sub-DLL Communication
Dưới đây là chức năng từng khối con trong DLL Communication:
- Add Code : Khối này sẽ đọc độ trễ ban đầu và độ trễ mỗi bước từ CSR o Khi init_en = 1 && dll_dir = 1, Nó sẽ đọc giá trị từ thanh ghi csr_dly_code_left và csr_dly_code_step.
Sau đó dựa theo tín hiệu điều khiển từ khối Sequencer.
+ Nếu dll_en && jump = 10: Tăng độ trễ (+ csr_dly_code_step);
+ dll_en && jump = 11: Tăng độ trễ lên 1 UI. o Khi init_en = 1 && dll_dir = 0, Nó sẽ đọc csr_dly_code_right và csr_dly_code_step.
+ Nếu dll_en && jump = 10: Giảm độ trễ (- csr_dly_code_step); o dll_en && jump = 11: Giảm độ trễ xuống 1 UI (-1 UI).
- Enable Dly: Khi cmd_done được bật, nó sẽ tắt dly_en để dừng hoạt động khối DLL CTL. Khi cmd_done tắt, sau 1 chu kì, tín hiệu dly_en sẽ được bật.
- Comparator: Khối comparator được sử dụng để kiểm tra khi độ trễ lệch quá giá trị cho phép. o Tín hiệu error = 1 khi dll_dir && csr_dly_code_hw > 31. Giới hạn của độ trễ.
- Store: Khi dly_code_strb = 1, DLL Communication sẽ lưu trữ dữ liệu vào thanh ghi trong khối CSR. o dll_dir = 0: lưu csr_dly_code_redge_ro và csr_dly_code_train_ro. o dll_dir = 1: lưu csr_dly_code_ledge_ro và csr_dly_code_train_ro.